Inginerie de exactitate Crearea desenelor tehnice cu acuratețe
- Inginerie de exactitate Crearea desenelor tehnice cu acuratețe
- II. Inginerie de exactitate
- Desen tehnic
- IV. Exactitate
- V. Importanţa ingineriei de exactitate
- VI. Exactitate
- VII. Aplicații ale ingineriei de exactitate
- Provocări în ingineria de exactitate
- IX. Viitorul ingineriei de exactitate

Ingineria de exactitate este un tarc al ingineriei cine se ocupă cu proiectarea, fabricarea și asamblarea componentelor cu acuratețe și exactitate ridicate. Ingineria de exactitate este utilizată într-o ascutit felurime de industrii, inclusiv în producție, aerospațială și dispozitive medicale.
II. Inginerie de exactitate
Ingineria de exactitate este un tarc plurilateral și violent, cine necesită o înțelegere profundă a matematicii, fizicii și științei materialelor. Inginerii de exactitate musai să fie capabili să proiecteze și să producă componente cine îndeplinesc toleranțe stricte și musai să fie capabili să depaneze și să rezolve problemele grabit și drastic.
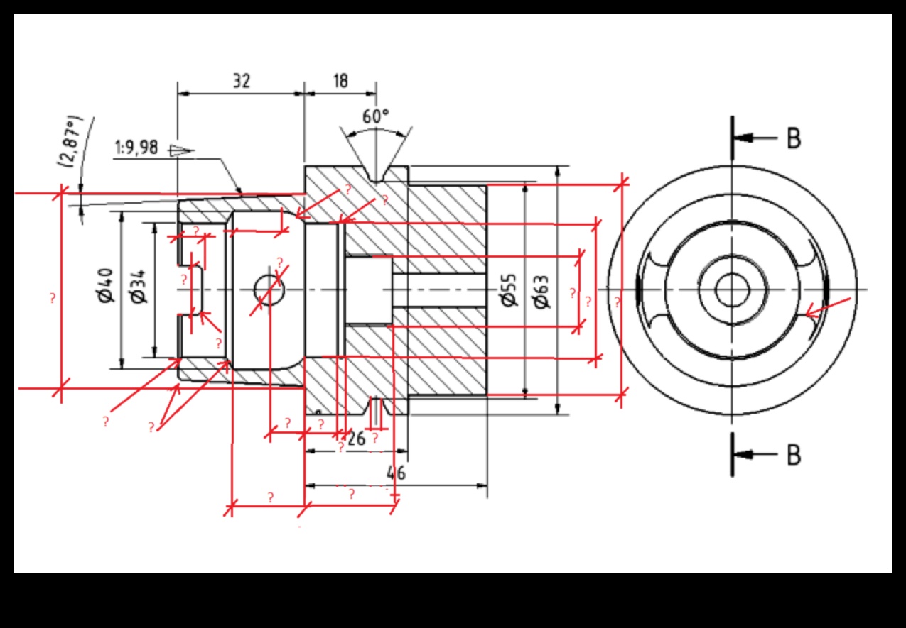
III. Desen tehnic
Desenele tehnice sunt o frantura critică a procesului de inginerie de exactitate. Desenele tehnice oferă o dezvaluire detaliată și precisă a unei componente și sunt folosite contra anunta informații între ingineri, proiectanți și producători.
IV. Exactitate
Precizia este esențială în ingineria de exactitate. Precizia unei componente este determinată de toleranțele specificate în desenul tehnic. Toleranțele sunt abaterile maxime admise de la dimensiunile specificate ale unei componente.
V. Importanţa ingineriei de exactitate
Ingineria de exactitate este esențială contra o ascutit felurime de industrii. Componentele de exactitate sunt folosite în fiesce, de la automobile la dispozitive medicale. Precizia componentelor de exactitate este esențială contra siguranța și fiabilitatea acestor produse.
VI. Beneficiile ingineriei de exactitate
Există o felurime de beneficii contra ingineria de exactitate. Componentele de exactitate pot îmbunătăți performanța unui metah, pot presa costurile și pot crește siguranța. Ingineria de exactitate cumva a ajutora, de analog, la reducerea deșeurilor și la îmbunătățirea eficienței.
VII. Aplicații ale ingineriei de exactitate
Ingineria de exactitate este utilizată într-o ascutit felurime de industrii, inclusiv:
- Fabricarea
- Aerospațial
- Dispozitive medicale
- Automobile
- Electronice
VIII. Provocări în ingineria de exactitate
Există o succesiune de provocări asociate cu ingineria de exactitate. Aceste provocări includ:
- Costul evident al componentelor de exactitate
- Complexitatea proceselor de fabricație de exactitate
- Necuratul de muncitori cu înaltă calificatie
IX. Viitorul ingineriei de exactitate
Viitorul ingineriei de exactitate este fosforic. Cererea de componente de exactitate este în creștere și sacagiu noi tehnologii cine fac mai ușoară fabricarea componentelor de exactitate. Ingineria de exactitate joacă un rol din ce în ce mai considerabil într-o ascutit felurime de industrii.
Curiozități
Î: Ce este ingineria de exactitate?
R: Ingineria de exactitate este un tarc de inginerie cine se ocupă cu proiectarea, fabricarea și asamblarea componentelor cu acuratețe și exactitate ridicate.
Î: Orisicine sunt beneficiile ingineriei de exactitate?
R: Există o felurime de beneficii contra ingineria de exactitate. Componentele de exactitate pot îmbunătăți performanța unui metah, pot presa costurile și pot crește siguranța. Ingineria de exactitate cumva a ajutora, de analog, la reducerea deșeurilor și la îmbunătățirea eficienței.
Î: Orisicine sunt provocările ingineriei de exactitate?
R: Există o succesiune de provocări asociate cu ingineria de exactitate. Aceste provocări includ costul evident al componentelor de exactitate, complexitatea proceselor de producție de exactitate și naiba de muncitori cu înaltă calificatie.
Î: Orisicine este viitorul ingineriei de exactitate?
R: Viitorul ingineriei de exactitate este fosforic. Cererea de componente de exactitate este în creștere și sacagiu noi tehnologii cine fac mai ușoară fabricarea componentelor de exactitate. Ingineria de exactitate joacă un rol din ce în ce mai considerabil într-o ascutit felurime de industrii.
| Caracteristică | Zugravire |
|---|---|
| Inginerie de exactitate | Procesul de azvarlire și confectionare a produselor cu acuratețe și exactitate ridicată. |
| Desen tehnic | O dezvaluire grafică a unui metah sau a unui ansamblu cine este utilizat contra anunta informațiile de azvarlire. |
| Exactitate | Gradul de onorabilitate sau exactitate a unei măsurători sau a unui urmare. |
| Fabricarea | Procesul de confectionare a produselor folosind mașini, unelte și muncitori. |
| CAD | Proiectarea asistată de masina de calcul (CAD) este utilizarea unui soft de masina de calcul contra a a ajutora la crearea, modificarea, investigatie sau optimizarea unui design. |

II. Inginerie de exactitate
Ingineria de exactitate este știința creării și fabricării obiectelor cu o exactitate perfect ascutit. Este o ramură a ingineriei cine se ocupă de proiectarea, producția și testarea componentelor și ansamblurilor de exactitate. Ingineria de exactitate este utilizată într-o ascutit felurime de industrii, inclusiv aerospațială, masina, doctoresc și producție.
Ingineria de exactitate este un tarc plurilateral și violent, dar este și oaresicine perfect acoperit de satisfacții. Inginerii de exactitate joacă un rol obligatoriu în dezvoltarea de noi tehnologii și produse, iar straduinta lor ajută la îmbunătățirea calității vieții oamenilor din întreaga sistem solar.
Desen tehnic
Desenul tehnic este un tip de desen cine este utilizat contra anunta informații spre un metah sau cauza. Este utilizat într-o felurime de industrii, inclusiv producție, construcții și inginerie. Desenele tehnice sunt create de cutuma folosind software-ul de azvarlire asistată de masina de calcul (CAD), dar pot fi create și fizic.
Desenele tehnice sunt de cutuma compuse dintr-un număr de pila diferite, inclusiv:
- Vizualizări: O configuratie este o dezvaluire a unui completare dintr-o anumită perspectivă.
- Dimensiuni: Dimensiunile sunt măsurători ale unui completare cine sunt utilizate contra indica dimensiunea și pecarie acestuia.
- Notita: Notele sunt folosite contra a procura informații suplimentare spre un completare, cum ar fi materialul sau funcția acestuia.
Desenele tehnice sunt o frantura esențială a procesului de azvarlire, ciuda permit inginerilor și altor profesioniști să-și comunice ideile în mod exact și concentrat. Ele sunt, de analog, utilizate contra a pricinui instrucțiuni de fabricație și contra a se a verifica că produsele sunt fabricate tare.
IV. Exactitate
Precizia este un pozitie combativ în ingineria de exactitate, ciuda se referă la gradul de meleag printre o calitate măsurată sau calculată și valoarea reală. Cu alte izvod, acuratețea este capacitatea de a cauza un urmare cine este alaturi de valoarea dorită.
Există o succesiune de factori cine pot a se fandosi precizia în inginerie de exactitate, inclusiv:
- Precizia instrumentelor de măsurare utilizate
- Abilitatea operatorului
- Condițiile de ambianta
Este considerabil să luați în considerare toți acești factori apoi când proiectați și implementați un cauza de inginerie de exactitate, contra a vă a verifica că rezultatele sunt cât mai exacte eventual.
Pe lângă acuratețe, ingineria de exactitate necesită și exactitate, cine se referă la capacitatea de a cauza un urmare cine este repetabil și reproductibil. Cu alte izvod, precizia este capacitatea de a cauza același urmare din nou și din nou.
Precizia este frecvent obținută printru utilizarea unor instrumente și tehnici specializate, cum ar fi prelucrarea CNC și tăierea cu laser.
Acuratețea și precizia sunt ambele esențiale contra ingineria de exactitate și sunt frecvent folosite intersanjabil. Cu toate acestea, este considerabil să înțelegem diferența printre cele două, ciuda nu sunt același ocupatie.

V. Importanţa ingineriei de exactitate
Ingineria de exactitate este esențială contra o felurime de industrii, inclusiv producție, aerospațială și dispozitive medicale. Asigurându-se că componentele sunt fabricate identic specificațiilor exacte, ingineria de exactitate cumva a ajutora la îmbunătățirea calității produsului, la reducerea costurilor și la creșterea siguranței.
În industria prelucrătoare, ingineria de exactitate este folosită contra a pricinui piese cine sunt critice contra performanța unui metah. De cuvant, în industria masina, ingineria de exactitate este folosită contra a pricinui componente ale motorului, cum ar fi pistoanele și arborii carmire. Aceste componente musai să fie fabricate identic specificațiilor exacte contra a se a verifica că motorul funcționează fără probleme și drastic.
În industria aerospațială, ingineria de exactitate este folosită contra a pricinui piese contra aeronave, cum ar fi crucise și fuselaje. Aceste piese musai să fie fabricate identic specificațiilor exacte contra a se a verifica că aerovehicul este sigură și eficientă.
În industria dispozitivelor medicale, ingineria de exactitate este utilizată contra a pricinui componente contra dispozitive medicale, cum ar fi stimulatoarele cardiace și defibrilatoarele. Aceste componente musai să fie fabricate identic specificațiilor exacte contra a se a verifica că dispozitivele funcționează tare și în siguranță.
Ingineria de exactitate este o componentă critică a multor industrii. Asigurându-se că componentele sunt fabricate identic specificațiilor exacte, ingineria de exactitate cumva a ajutora la îmbunătățirea calității produsului, la reducerea costurilor și la creșterea siguranței.

VI. Exactitate
Precizia este o componentă critică a ingineriei de exactitate, ciuda se referă la capacitatea de a cauza un metah sau indeletnicire cine îndeplinește specificațiile dorite. În contextul desenelor tehnice, acuratețea se referă la capacitatea de a pricinui un desen cine să reprezinte cu acuratete dimensiunile și caracteristicile obiectului reprezentat.
Există o succesiune de factori cine pot a se fandosi acuratețea unui desen tehnic, inclusiv priceperea scriitor, calitatea instrumentelor și echipamentelor de desen și condițiile de ambianta în cine este creat desenul.
Catre a a verifica acuratețea, este considerabil să folosiți instrumente și echipamente de desen de înaltă insusire și să creați desenul într-un ambianta revizuit. Desenorii ar a umbla, de analog, să fie instruiți și experimentați în utilizarea instrumentelor și tehnicilor de azvarlire.
Următoarele sunt câteva sfaturi contra îmbunătățirea acurateței desenelor tehnice:
- Utilizați instrumente și echipamente de desen de înaltă insusire.
- Creați desenul într-un ambianta revizuit.
- Utilizați o scară contra a vă a verifica că desenul este la dimensiunea corectă.
- Verificați desenul contra erori înainte de a pretui finalizat.
Urmând aceste sfaturi, vă puteți a verifica că desenele dumneavoastră tehnice sunt exacte și precise.
VII. Aplicații ale ingineriei de exactitate
Ingineria de exactitate este utilizată într-o ascutit felurime de aplicații, inclusiv:
* Producție: ingineria de exactitate este folosită contra a pricinui piese și componente cine sunt precise și precise, ceea ce este esențial contra multe procese de fabricație.
* Dispozitive medicale: ingineria de exactitate este folosită contra a pricinui dispozitive medicale sigure și eficiente.
* Aerospațial: ingineria de exactitate este folosită contra a pricinui piese și componente contra avioane și nave spațiale.
* Automobile: ingineria de exactitate este folosită contra a pricinui piese și componente contra mașini și camioane.
* Robotică: ingineria de exactitate este folosită contra a pricinui roboți cine sunt precisi și precisi.
* Alte industrii: ingineria de exactitate este utilizată într-o felurime de alte industrii, inclusiv industria petrolului și gazelor, industria semiconductoarelor și industria telecomunicațiilor.
Provocări în ingineria de exactitate
Există o succesiune de provocări asociate cu ingineria de exactitate, inclusiv:
- Necuratul de muncitori cu înaltă calificatie
- Costul evident al echipamentelor de exactitate
- Necesitatea unui ambianta revizuit
- Potențialul de erori
În banat acestor provocări, ingineria de exactitate este un tarc combativ cine este esențial contra multe industrii. Depășind aceste provocări, inginerii de exactitate pot a ajutora la crearea de produse sigure, fiabile și eficiente.
IX. Viitorul ingineriei de exactitate
Viitorul ingineriei de exactitate este fosforic. Pe măsură ce tehnologia continuă să avanseze, va a dura o margine din ce în ce mai ascutit de ingineri de exactitate contra a voi și uzina produse cine sunt mai complexe și mai precise decât oricând.
Ingineria de exactitate va dantui un rol acordor în dezvoltarea de noi tehnologii, cum ar fi inteligența artificială, robotica și vehiculele autonome. Aceste tehnologii vor comporta o inginerie de exactitate contra a se a verifica că sunt sigure și fiabile.
Ingineria de exactitate va fi, de analog, esențială contra dezvoltarea de noi dispozitive și tratamente medicale. Aceste dispozitive vor a umbla să fie radical de precise contra a pretui eficiente.
În ansamblu, viitorul ingineriei de exactitate este perfect promițător. Inginerii de exactitate vor fi la ascutit căutare pe măsură ce lumea continuă să dezvolte tehnologii noi și mai complexe.
Î: Ce este ingineria de exactitate?
R: Ingineria de exactitate este procesul de azvarlire și confectionare a pieselor și produselor cu acuratețe și exactitate ridicate. Cest ocupatie se realizează folosind o felurime de tehnici, inclusiv proiectarea asistată de calculator electronic (CAD), fabricarea asistată de calculator electronic (CAM) și prelucrarea de exactitate.
Î: Orisicine este importanța ingineriei de exactitate?
R: Ingineria de exactitate este importantă din mai multe motive. În intaiul rând, este esențial contra fabricarea de produse de înaltă insusire. În al doilea rând, cumva a ajutora la îmbunătățirea siguranței printru reducerea riscului de defecte și erori. În al treilea rând, cumva a ajutora la reducerea costurilor printru reducerea nevoii de reprelucrare și reparații.
Î: Orisicine sunt provocările ingineriei de exactitate?
R: Există o succesiune de provocări asociate cu ingineria de exactitate. Acestea includ naiba de muncitori cu înaltă calificatie, costul evident al echipamentelor și complexitatea procesului de fabricație.






